Pengubah Dipasang Pad 1000 kVA-13.2/0.48 kV|Amerika Syarikat 2025
Kapasiti: 1000 kVA
Voltan: 13.2/0.48 kV
Ciri: dengan IFD

Teknologi inovatif, keserasian sempurna-tiga-pengubah yang dipasang pad fasa memacu masa depan baharu untuk industri kuasa!
01 Am
1.1 Latar Belakang Projek
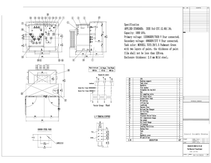
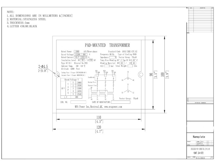
Transformer dipasang pad tiga fasa 1000 kVA telah dihantar ke Amerika pada tahun 2025. Kuasa undian pengubah ialah 1000 kVA dengan penyejukan ONAN. Voltan primer ialah 13.2GrdY/7.62 kV dengan ±2*2.5% julat tapping (NLTC), voltan sekunder ialah 0.48Y/0.277 kV, mereka membentuk kumpulan vektor YNyn0.
Transformer -pad kami direka bentuk untuk tahan terhadap gangguan dan cuaca, menjadikannya selamat untuk diletakkan di kawasan awam. Setiap kepungan dibina daripada-keluli tolok berat dan dilapisi serbuk-dengan kemasan-bakar yang tahan lama untuk meningkatkan rintangan gangguan. Kami menawarkan kedua-dua-depan dan mati-reka bentuk hadapan pada pad kami-transformer, yang disertakan dengan konfigurasi suapan jejari atau gelung. Transformer pemasangan pad moden biasanya menggunakan reka bentuk yang cekap untuk mengurangkan penggunaan tenaga dan kos operasi, manakala cecair dielektrik yang digunakan selalunya adalah bahan mesra alam. Pelbagai langkah perlindungan keselamatan dilaksanakan, seperti perlindungan beban lampau,{11}}perlindungan litar pintas dan pemantauan kerosakan tanah, untuk memastikan operasi yang selamat di bawah keadaan kerja yang berbeza. Transformer yang dipasang pada pad boleh digunakan di kawasan kediaman, zon komersial, taman perindustrian dan sistem pengagihan kuasa luar bandar, yang memenuhi pelbagai permintaan beban.
1.2 Spesifikasi Teknikal
Spesifikasi transformer dipasang pad tiga fasa 1000kVA dan helaian data
|
Dihantar kepada
Amerika
|
|
tahun
2025
|
|
taip
Tiga fasa pad dipasang transformer
|
|
Standard
IEEE C57.12.00
|
|
Kuasa Dinilai
1000kVA
|
|
Kekerapan
60 HZ
|
|
fasa
Bujang
|
|
Jenis Penyejukan
ONAN
|
|
Voltan Utama
13.2GrdY/7.62 kV
|
|
Voltan Sekunder
0.48Y/0.277 kV
|
|
Bahan Penggulungan
aluminium
|
|
Impedans
5.75%
|
|
Ketik Penukar
NLTC
|
|
Julat Ketik
±2*2.5%
|
|
Tiada Kehilangan Beban
1.3KW
|
|
Mengenai Kehilangan Beban
6.94KW
|
|
Aksesori
Konfigurasi Standard
|
|
Teguran
N/A
|
1.3 Lukisan
Dimensi pengubah dipasang pad tiga fasa 1000 kVA dan butiran berat
![]() |
![]() |
02 Pembuatan
2.1 Teras
Teras lajur tiga-fasa tiga-terdiri daripada tiga lajur tersusun menegak, setiap satu sepadan dengan fasa kuasa elektrik. Lajur ini disambungkan oleh rasuk mendatar, membentuk struktur tegar yang memberikan kekuatan dan kestabilan mekanikal yang baik. Reka bentuk ini memastikan bahawa pengubah boleh menahan pelbagai tekanan mekanikal semasa operasi sambil mengekalkan prestasi magnet yang optimum. Teras lajur tiga-fasa tiga-membentuk litar magnet tertutup, menumpukan fluks magnet dengan berkesan dan mengurangkan fluks magnet kebocoran. Teras diperbuat daripada kepingan keluli silikon kehilangan-rendah yang disusun bersama. Kepingan keluli silikon ini mempunyai sifat elektromagnet yang sangat baik yang berkesan mengurangkan kehilangan arus pusar dan kehilangan histerisis.

2.2 Penggulungan

Penahan sesendal voltan rendah-untuk transformer yang dipasang pad- ialah komponen struktur kritikal yang direka untuk melindungi dan menstabilkan sesendal dalam konfigurasi yang melebihi sepuluh bukaan. Dengan menyediakan sokongan mekanikal yang teguh, ia memastikan penjajaran dan integriti pemasangan sesendal berbilang, mengurangkan risiko kerosakan akibat getaran, kitaran haba atau daya luaran dengan berkesan, dengan itu meningkatkan-keselamatan dan kebolehpercayaan jangka panjang pengubah.
2.3 Tangki
Tangki minyak pengubah hendaklah menyediakan kemudahan untuk memasang instrumen, seperti yang ditunjukkan dalam Lampiran 2. Pada masa yang sama, kemudahan pemasangan konduit 1-inci dari bahagian dalam petak voltan-rendah ke lokasi meter elektrik perlu disediakan. Semua pintu mesti boleh dibuka sepenuhnya tanpa sebarang halangan (seperti meter elektrik, dsb.). Apabila petak voltan rendah jenis tetap menyediakan saiz minimum 16 1/2 inci x 33 1/4 inci ruang dan pada ketinggian yang dinyatakan dalam Lampiran 2, tiada kemudahan pemasangan instrumen diperlukan.

2.4 IFD

Pengesanan Kesalahan Penebat (IFD) untuk transformer ialah sistem pemantauan dalam talian yang berfungsi sebagai peranti amaran awal dengan terus memantau gas hidrogen (H₂) yang terlarut dalam minyak penebat. Ia mengesan peringkat awal kerosakan penebat dalaman, seperti pelepasan separa atau terlalu panas, yang menjana hidrogen, membolehkan penyelenggaraan proaktif sebelum isu ini meningkat kepada kegagalan besar. Pada asasnya, IFD bertindak sebagai pemeriksaan kesihatan pencegahan untuk transformer, meningkatkan kebolehpercayaan dan mencegah kerosakan bencana dengan mengenal pasti kerosakan terpendam pada peringkat paling awal dan paling mudah diurus.
03 Ujian
3. Pemeriksaan Operasi Membuka dan Menutup PintuKeperluan ini menetapkan bahawa sebelum pengilang transformer menghantar peralatan, beberapa operasi pembukaan dan penutupan pintu hendaklah dijalankan untuk memeriksa sama ada pintu berfungsi dengan betul, mengelakkan isu seperti salah jajaran, ubah bentuk atau pemasangan engsel yang tidak betul.
• Item Ujian: Ujian prestasi mekanikal terutamanya, termasuk kekerapan membuka dan menutup pintu, kelancaran dan prestasi pengedap.
• Keperluan Standard: Ujian ini memastikan bahawa penutup pengubah atau panel suis tidak rosak secara fizikal semasa digunakan, dan operasi membuka dan menutup pintu mengekalkan status berfungsi yang baik.
• Piawaian ANSI: Walaupun item ini mungkin tidak disenaraikan secara eksplisit dalam semua piawaian ANSI, keperluan serupa biasanya ditemui dalam spesifikasi seperti ANSI C57.12.90 (Keperluan Ujian Standard untuk Transformer), memastikan kebolehpercayaan semua komponen operasi luaran.


04 yang lain
4.1 keperluan
Pad-transformer berpetak yang dipasang hendaklah termasuk tangki pengubah dan petak terminal kabel voltan tinggi dan rendah. Tangki dan petak pengubah hendaklah dipasang sebagai unit untuk pemasangan pada pad. Tidak boleh ada skru, bolt atau peranti pengikat yang boleh ditanggalkan secara luaran pada bahagian luar. Tidak boleh ada bukaan di mana objek asing seperti dahan, batang logam atau wayar boleh bersentuhan dengan bahagian hidup. Cara yang sesuai hendaklah disediakan untuk mengunci pintu petak. Bolt kunci kepala hex 1/2 inci dengan kelas benang NC 2 dan berasingan daripada peranti pengunci hendaklah juga disediakan seperti yang ditunjukkan dalam lampiran. Reka bentuk struktur hendaklah mengehadkan kemasukan air (kecuali banjir) ke dalam petak untuk mengelakkan menjejaskan operasi biasa pengubah.

4.2 aksesori

Pengubah hendaklah dilengkapi dengan enam (6) ESNA, Permali, Komponen, Cental Maloney atau lubang sesendal voltan tinggi-Westinghouse (ANSI C119.2), diapit secara luaran, untuk menerima palam pemutus-beban untuk mengendalikan pengubah daripada sistem primer jenis utama gelang. Lekapan untuk pemasangan cincin angkat Gaya Elastimold 164BA hendaklah disediakan di lokasi yang ditunjukkan dalam Lampiran 1. Korrena, Nitril atau bahan gasket lain yang diluluskan oleh perbandaran hendaklah disediakan dengan peranti pengehad. Bahan gasket hendaklah dipasang dengan betul untuk memastikan-lubang sesendal voltan tinggi sentiasa bersentuhan dengan tangki yang dibumikan. Panjang plumbum-voltan tinggi hendaklah mencukupi untuk memudahkan-penggantian telaga sesendal di tapak.
05 Tapak dan Ringkasan
Kesimpulannya, tiga-pengubah yang dipasang pad fasa mewakili penyelesaian yang sangat cekap dan boleh dipercayai untuk keperluan pengedaran elektrik luar. Dengan reka bentuk yang teguh, teknologi penebat termaju, dan keupayaan penyejukan yang berkesan, pengubah ini memastikan prestasi optimum dan jangka hayat, walaupun dalam keadaan persekitaran yang mencabar. Konfigurasi padat, pad-dilekapkannya bukan sahaja menjimatkan ruang tetapi juga meningkatkan keselamatan dan kemudahan pemasangan. Sama ada untuk aplikasi komersial, perindustrian atau perbandaran, tiga-transformer dipasang pad fasa kami memberikan kuasa dan kebolehpercayaan yang boleh anda harapkan. Pilih transformer kami untuk penyelesaian tenaga yang mampan dan berkesan yang memenuhi permintaan landskap tenaga yang berkembang hari ini.

Cool tags: 1000 kva pad dipasang pengubah, pengilang, pembekal, harga, kos
You Might Also Like
500 kVA Pad Depan Mati Dipasang Transformer-24.94/0....
4000 kVA 3 Fasa Dipasang Transformer-24.94/0.6 kV|Ka...
1000 kVA Minyak Diisi Pad Dipasang Transformer-13.8/...
3000 kVA Transformer-25/0.6 kV|Kanada 2025
3000 kVA Pad Dipasang Transformer-25/0.6 kV|Kanada 2025
500 kVA Pad Utiliti Dipasang Transformer-24/0.48 kV|...
Hantar pertanyaan









