75 kVA 3 Fasa Pelekap Pelekap Transformer-24.94/0.208 kV|Amerika Syarikat 2024
Kapasiti: 75kVA
Voltan: 24.94/0.208kV
Ciri: dengan fius bayonet

Prestasi berkuasa, tahan lasak dan boleh dipercayai – Tiga-Pad Fasa-Pengubah Lekap, tulang belakang sistem kuasa!
01 Am
1.1 Latar Belakang Projek
Transformer yang dipasang pada pad 75 kVA telah dihantar ke Amerika Selatan pada tahun 2024. Kuasa undian pengubah ialah 75 kVA dengan penyejukan ONAN. Voltan primer ialah 24.94/14.4kV dengan ±2*2.5% julat tapping (NLTC), voltan sekunder ialah 0.208/0.12kV, mereka membentuk kumpulan vektor YNyn0, dan ia adalah pengubah suapan gelung. Produk ini mempunyai ciri-ciri saiz kecil, pemasangan dan penyelenggaraan yang mudah, bunyi yang rendah, kehilangan yang rendah,{12}}anti kecurian, perlindungan penuh, kapasiti beban lampau yang kuat dan sebagainya. Berkenaan dengan kawasan kediaman baharu, tali pinggang hijau, taman, hotel stesen, tapak pembinaan, lapangan terbang dan tempat lain. Struktur kabinet bebas diguna pakai, dan bahagian atas kabinet cenderung untuk memudahkan saliran yang berkesan. Pelbagai suis dan komponen perlindungan boleh disepadukan, menjadikan pengubah bentuk yang lebih padat, fungsi yang lebih lengkap, prestasi yang lebih dipercayai.
1.2 Spesifikasi Teknikal
Jenis spesifikasi pengubah 75 KVA dan helaian data
|
Dihantar kepada
Amerika Selatan
|
|
tahun
2024
|
|
taip
Pengubah yang dipasang pada pad
|
|
Standard
IEEE C57.12.00
|
|
Kuasa Dinilai
75KVA
|
|
Kekerapan
60HZ
|
|
fasa
3
|
|
Jenis Penyejukan
ONAN
|
|
Voltan Utama
24.94GRDY/14.4 KV
|
|
Voltan Sekunder
0.208GrdY/0.12 KV
|
|
Bahan Penggulungan
aluminium
|
|
Anjakan sudut
YNyn0
|
|
Impedans
3%
|
|
Ketik Penukar
NLTC
|
|
Julat Ketik
±2*2.5%
|
|
Tiada Kehilangan Beban
0.08KW
|
|
Mengenai Kehilangan Beban
1.27KW
|
|
Aksesori
Konfigurasi Standard
|
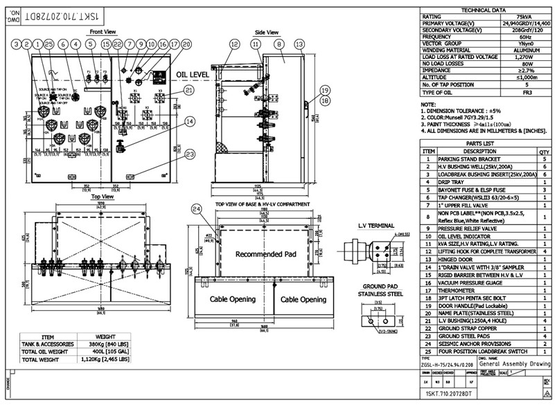
1.3 Lukisan
Lukisan rajah transformer dipasang pad 75 KVA dan saiz.
![]() |
![]() |
02 Pembuatan
2.1 Teras
Jenis lajur teras tiga-fasa lima juga dipanggil jenis kuk sisi lajur tiga fasa tiga, yang dibentuk dengan menambahkan dua kuk sisi (tiada teras penggulungan) ke bahagian luar tiga-lajur teras tiga fasa, tetapi keratan rentas dan ketinggian kuk besi atas dan bawah adalah lebih kecil daripada jenis tiga tiang biasa- Ini mengurangkan ketinggian keseluruhan pengubah. Tiga-lajur teras lima-dibandingkan dengan tiga-teras fasa, dan terdapat dua lagi lajur teras cawangan di sebelah kiri dan kanan lajur teras untuk menjadi kuk sisi. Belitan setiap peringkat voltan masing-masing ditetapkan pada tiga lajur teras tengah mengikut fasa, dan kuk sisi tidak mempunyai belitan, supaya pengubah tiga-fasa lima-teras terbentuk.

2.2 Penggulungan

Kelebihan Wayar-Wound High-Belitan Voltan
1. Penebat Cemerlang
2. Penggunaan Ruang Tinggi
3. Pelesapan Haba yang Baik
4. Proses Pengilangan Matang
Kelebihan Kerajang-Luka Rendah-Belitan Voltan
1. Mengurangkan Kerugian Rintangan
2. Kapasiti Membawa Arus Tinggi:
3. Kekuatan Litar-Ringkasan yang dipertingkatkan
4. Ketumpatan Kuasa yang Lebih Baik
2.3 Tangki
Tangki diperbuat daripada keluli tahan karat, yang mempunyai kekuatan dan ketahanan yang baik. Permukaan keluli disalut dengan salutan anti-kakisan untuk mengelakkan kakisan yang disebabkan oleh pengaruh persekitaran luaran. Struktur kabinet bebas diguna pakai, bahagian atas kabinet cenderung untuk memudahkan saliran yang berkesan, dan kabinet juga mudah untuk memasang komponen.

2.4 Perhimpunan Akhir

1. Pemasangan Belitan: Pasang belitan voltan tinggi dan rendah, sambungkan petunjuk, dan pastikan penebat yang betul.
2. Penebat dan Pengujian: Tambah bahan penebat dan lakukan ujian voltan tahan dan nyahcas separa.
3. Pemasangan Kepungan: Letakkan teras dan belitan ke dalam selongsong dan selesaikan proses pengedap.
4. Pemasangan Aksesori: Pasang komponen penting seperti tolok minyak, pengawal suhu dan dehidrator.
5. Pengisian Minyak (untuk Minyak-Pengubah Terendam): Isi vakum minyak pengubah, laraskan paras minyak dan pastikan tiada gelembung udara kekal.
03 Ujian
1. Ujian rintangan DC.
2. Ujian rintangan penebat.
3. Pengukuran nisbah voltan dan kumpulan vektor.
4. Ujian voltan tahan ac punca berasingan.
5. ac teraruh menahan ujian voltan.
6. Pengukuran tiada-kehilangan beban dan tiada arus beban.
7. Beban pengukuran dan galangan.
8. Kehilangan rintangan dan kecekapan.
9. Ujian meterai.


04 Pembungkusan dan Penghantaran


05 Tapak dan Ringkasan
Terima kasih kerana berminat dengan tiga-pad fasa-transformer kami! Sebagai penanda aras untuk penyelesaian pengagihan kuasa yang boleh dipercayai, cekap dan pintar, produk ini diiktiraf untuk prestasi cemerlang, reka bentuk yang teguh dan kecekapan tenaga yang luar biasa, memperoleh kepercayaan pelanggan dalam pelbagai industri. Sama ada untuk aplikasi kediaman, komersial atau industri, kami komited untuk menyediakan perkhidmatan tersuai untuk membantu anda membina sistem kuasa yang stabil dan cekap. Kami berharap dapat bekerjasama dengan anda untuk mencipta masa depan yang cerah untuk penyelesaian kuasa pintar! Untuk maklumat lanjut, sila hubungi kami, dan kami akan berbesar hati untuk membantu anda!

Cool tags: Pengubah lekap pad 3 fasa, pengilang, pembekal, harga, kos
You Might Also Like
Pengubah Pelekap Pad 300 kVA-12.47/0.48 kV|Amerika S...
Pengubah Pelekap Pad 75 kVA-22.86/0.208 kV|Amerika S...
Pad 300 kVA-dilekapkan Transformer-34.5/0.208 kV|Ame...
Pengubah Dipasang Pad 750 kVA-13.2/0.48 kV|Amerika S...
Pengubah Dipasang Pad 1500 kVA-34.5/0.48 kV|Amerika ...
500 kVA Pad Mount Transformer-13.8/0.48 kV|Amerika S...
Hantar pertanyaan







