Pengubah Pelekap Pad 1000 kVA-13.8/0.46 kV|Guyana 2025
Kapasiti: 1000kVA
Voltan: 13.8kV-460Y/266V
Ciri: ELSP semasa-menghadkan fius sandaran

Transformer pelekap pad 1000 kVA-kuasa pintar untuk pusat komersial, dengan dwi-perlindungan fius dan penukaran 13.8kV kepada 460Y/266V yang boleh dipercayai
01 Am
1.1 Penerangan Projek
Pada April 2025, salah seorang pelanggan-panjang kami di Guyana telah membuat pesanan untuk dua transformer: 1000kVA 13.8kV–460Y/266V tiga-pad fasa-transformer yang dipasang dan 400kVA 460–220/127VPIpengubah jenis-kering.
1000 kvapengubah pelekap paddibina mengikut piawaian IEEE Std C57.12.34-2022 dan menampilkan reka bentuk suapan gelung dengan konfigurasi akses hadapan hadapan-mati. Ia menggunakan penyejukan ONAN (Oil Natural Air Natural) dan terlindung dengan minyak mineral. Voltan primer ialah 13.8kV, dan voltan sekunder ialah 460Y/266V, dengan kumpulan vektor Dyn11 dan impedans 5.75%.
Transformer dilengkapi dengan tiga fius Bayonet dan tiga fius sandaran pengehad arus ELSP-. Fius Bayonet menyediakan perlindungan untuk segmen arus kerosakan rendah. Fius ELSP dengan cepat memotong arus dan mengehadkan tenaga arka apabila litar pintas arus tinggi berlaku. Apabila digabungkan, ia meliputi rangkaian penuh perlindungan kerosakan dari arus rendah hingga tinggi. Ia adalah padanan yang sempurna untuk keperluan sistem pengagihan kuasa yang selamat, stabil, mudah diselenggara dan-kos efektif.
1000 kVA tiga-pengubah lekap pad fasa sesuai untuk pasar raya & pusat komersial. 13.8kV disambungkan ke rangkaian pengedaran perbandaran, dan 460V digunakan untuk penghawa dingin komersial, lampu, lif dan beban lain. Oleh kerana pelbagai beban peralatan komersial memerlukan bekalan kuasa tiga-fasa yang stabil, output pengubah 460Y/266V adalah cukup. Perlindungan fius berganda meningkatkan tahap keselamatan dan mengurangkan kerugian harta benda yang disebabkan oleh kerosakan.
1.2 Spesifikasi Teknikal
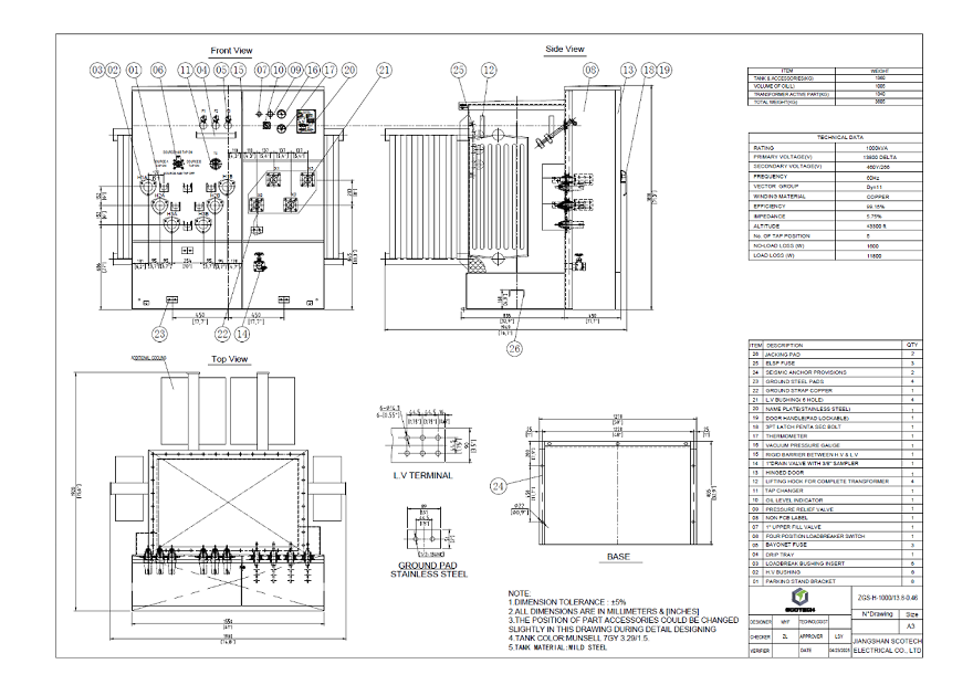
Spesifikasi transformer dipasang pad tiga fasa 1000kVA dan helaian data
|
Dihantar kepada
Guyana
|
|
tahun
2025
|
|
taip
Pengubah lekap pad tiga fasa
|
|
Standard
IEEE Std C57.12.34-2022
|
|
Kuasa Dinilai
1000 kVA
|
|
Kekerapan
60HZ
|
|
suapan
gelung
|
|
Depan
Mati
|
|
fasa
Tiga
|
|
Jenis Penyejukan
ONAN
|
|
Penebat cecair
Minyak Mineral
|
|
Voltan Utama
13.8 kV
|
|
Voltan Sekunder
0.46 kV
|
|
Kumpulan Vektor
Dyn11
|
|
Bahan Penggulungan
Tembaga
|
|
Impedans
5.75%
|
|
Ketik Penukar
NLTC
|
|
Julat Ketik
±2*2.5%
|
|
Kecekapan
99.15%
|
|
Tiada Kehilangan Beban
1600 W
|
|
Mengenai Kehilangan Beban
11800 W
|
|
Aksesori
Konfigurasi Standard
|
1.3 Lukisan
Papan nama pengubah dipasang pad tiga fasa 1000kVA dan lukisan
![]() |
![]() |
02 Pembuatan
2.1 Teras
Tiga-fasa tiga-teras anggota menggunakan penyambung sepenuhnya, menggunakan kepingan keluli silikon berorientasikan sejuk-bijirin{3}}untuk mengurangkan lagi tiada-kehilangan beban dan memanfaatkan sepenuhnya sifat magnet bahan. Dengan menggunakan sambungan miter sepenuhnya, fluks magnet kekal sejajar dengan arah gelek keluli, dengan itu meminimumkan kehilangan teras. Walau bagaimanapun, proses penyambungan ini lebih kompleks, dan integriti mekanikal teras bertindan mungkin dikurangkan.

2.2 Penggulungan

Pengubah menggunakan lilitan foil voltan rendah dan struktur lilitan wayar voltan tinggi. Penggulungan voltan tinggi menggunakan konduktor tembaga segi empat tepat 1.5 × 4 mm. Gabungan ini memberikan prestasi terma yang sangat baik, struktur padat dan ciri elektrik yang boleh dipercayai.
2.3 Tangki
Transformer menampilkan tangki tertutup dengan penutup berbolted, diperbuat daripada-keluli lembut berkualiti tinggi. Radiator dikimpal pada kedua-dua belah dan belakang tangki untuk meningkatkan pelesapan haba. Reka bentuk tangki memastikan kekuatan mekanikal yang teguh dan penyejukan yang berkesan untuk operasi cecair-rendam. Untuk memastikan kebolehpercayaan, tangki diuji-tekanan pada 50 kPa selama 24 jam tanpa kebocoran atau ubah bentuk.


kamitiga-pad fasa-pengubah yang dipasangmengguna pakai fius sandaran mengehadkan semasa ELSP-Eaton, dipasangkan dengan fius Bersih-O-Bay untuk membentuk sistem dwi perlindungan. Fius ini menampilkan-kecekapan tinggi prestasi mengehadkan arus, dengan berkesan mengurangkan kesan arus kerosakan pada peralatan dan sesuai untuk digunakan dalam minyak mineral pengubah.
1. Pemasangan Teras dan Penggulungan
Pasang bahagian aktif (teras dan penggulungan). Plumbum yang ditunjukkan dalam gambar disediakan untuk kimpalan.
2. Pemasangan Tangki Utama
3. Pemasangan Aksesori
Pengubah lekap pad 1000 kva ini menggunakan gabungan fius bersih Bay-O-dan fius sandaran mengehadkan arus ELSP-, yang merupakan skim perlindungan tipikal untuk pengubah pengedaran terendam minyak di Amerika Utara-.
4. Pengisian dan Pengedap Minyak
Isikan pengubah dengan minyak penebat dan tutup tangki.
5. Sambungan dan Pemeriksaan Elektrik
6. Penampilan Akhir dan Semakan Pelabelan

03 Ujian


Ujian Rutin dan Standard Pengujian
1. Pengukuran Rintangan Penggulungan: Mengikut IEEE C57.12.90-2021 Klausa 5
2. Pengukuran Nisbah Voltan: Mengikut IEEE C57.12.90-2021 Fasal 7
3. Ujian Anjakan Fasa: Mengikut IEEE C57.12.90-2021 Klausa 6
4. Tiada-Kehilangan beban dan Tiada-beban Pengukuran Semasa: Menurut IEEE C57.12.90-2021 Klausa 8
5. Kehilangan Beban, Voltan Impedans dan Pengukuran Kecekapan: Menurut IEEE C57.12.90-2021 Klausa 9 dan CSA-C802.1-13 Klausa 6
6. Ujian Voltan Gunaan: Mengikut IEEE C57.12.90-2021 Klausa 10.6
7. Ujian Tahan Voltan Teraruh: Mengikut IEEE C57.12.90-2021 Klausa 10.5.1
8. Ujian Kebocoran dengan Tekanan untuk Cecair-Pengubah Terendam: Ujian kebocoran pada 50KPa hendaklah dijalankan selama 24 jam tanpa kebocoran. Tiada ubah bentuk kekal.
9. Pengukuran Rintangan Penebat
10. Ujian Kekuatan Dielektrik Minyak Transformer
Keputusan Ujian
|
Tidak. |
Item Ujian |
Unit |
Nilai Penerimaan |
Nilai Terukur |
Kesimpulan |
|
1 |
Pengukuran Rintangan |
% |
Kadar ketidakseimbangan rintangan maksimum Kurang daripada atau sama dengan 5% |
1.68 |
lulus |
|
2 |
Ujian Nisbah |
% |
Sisihan nisbah voltan pada pengetuk utama: Kurang daripada atau sama dengan 0.5% Simbol sambungan: Dyn11 |
-0.09%~-0.08% |
lulus |
|
3 |
fasa-ujian perkaitan |
/ |
Dyn11 |
Dyn11 |
lulus |
|
4 |
Tiada-kehilangan beban dan arus pengujaan |
/ |
I0 :: memberikan nilai yang diukur |
0.77% |
lulus |
|
P0: berikan nilai terukur(t:20 darjah ) |
1.465kW |
||||
|
toleransi untuk tiada kehilangan beban ialah +10% |
/ |
||||
|
5 |
Kehilangan beban voltan impedans dan kecekapan |
/ |
t:85 darjah toleransi untuk impedans ialah ±7.5% toleransi untuk jumlah kehilangan beban ialah +6% |
/ |
lulus |
|
Z%: nilai yang diukur |
5.62% |
||||
|
Pk: nilai yang diukur |
11.085kW |
||||
|
Pt: nilai yang diukur |
12.550 kW |
||||
|
Kecekapan tidak kurang daripada 99.15% |
99.21% |
||||
|
6 |
Ujian Voltan Gunaan |
kV |
HV: 34kV 60s LV: 10kV 60s |
Tiada keruntuhan voltan ujian berlaku |
lulus |
|
7 |
Ujian Tahan Voltan Teraruh |
kV |
Voltan terpakai (KV):2Ur |
Tiada keruntuhan voltan ujian berlaku |
lulus |
|
Voltan teraruh (KV): 27.6 |
|||||
|
Tempoh:48 |
|||||
|
Kekerapan (HZ): 150 |
|||||
|
8 |
Ujian Kebocoran |
kPa |
Tekanan terpakai: 50kPA |
Tiada kebocoran dan tiada kerosakan |
lulus |
|
Tempoh: 24j |
|||||
|
9 |
Pengukuran Rintangan Penebat |
GΩ |
HV-LV ke Ground : |
48.4 |
/ |
|
LV-HV ke Ground: |
65.5 |
||||
|
HV&LV ke Tanah: |
51.9 |
||||
|
10 |
Ujian Dielektrik Minyak |
kV |
Lebih besar daripada atau sama dengan 45 |
56.5 |
lulus |
04 Tapak dan Ringkasan

SCOTECHmenyampaikan lebih daripada 12,000,000 pengubah kVA di seluruh dunia setiap tahun, memberi kuasa kepada banyak rumah dan perniagaan. Kami mempunyai pengalaman yang kaya dalam mereka bentuk dan menghasilkan transformer yang dipasang pad tiga fasa. Sama ada Piawaian CSA atau Piawaian IEEE, kami mempunyai banyak kes. Nilai kuasa dari 100 kVA hingga 5000 KVA. Kami memastikan setiap unit menjalani ujian penerimaan penuh yang ketat. Semoga mendapat kepercayaan anda.
Cool tags: 1000 kva pad mount transformer,pengilang,pembekal,harga,kos
You Might Also Like
500 kVA Pad Dipasang Transformer-13.2/0.48 kV|Amerik...
Transformer Isi Minyak 300 kVA-13.2/0.48 kV|Guyana 2024
75 kVA 3 Fasa Agihan Transformer-13.8/0.208 kV|Kanad...
Pengubah Dipasang Pad 750 kVA-13.2/0.48 kV|Amerika S...
Pengubah Dipasang Pad 1250 kVA-12.47/0.6 kV|Amerik...
1000 kVA Pengubah Hadapan Mati-24/0.48 kV|Amerika Sy...
Hantar pertanyaan











